Струен трансформатор КТ
Електричен Ct струен трансформатор од смола
  • Електричен Ct струен трансформатор од смолаЕлектричен Ct струен трансформатор од смола
  • Електричен Ct струен трансформатор од смолаЕлектричен Ct струен трансформатор од смола

Електричен Ct струен трансформатор од смола

Wenzhou XiFa Electric Power Equipment Co., Ltd е професионално производство за производство на електричен струен трансформатор од леано смола каде што се усвојува во електричната разводна опрема од 10 kv до 35 kv. Во Wenzhou XiFa, тимот на производители лее епоксидна смола во вакуумска средина за да ги отстрани меурите од страната на струјниот трансформатор и да спречи делумно празнење на површината. Во меѓувреме, струјниот трансформатор од електричен ct излеан смола е дизајниран како повеќеслојна изолациона структура за да постигне подобри перформанси на отпорност на напон и долгорочна стабилност.

Електричниот струен трансформатор од излеана смола е внатрешна, епоксидна смола, вакуумска лиена, пост-тип единица дизајнирана за енергетски системи на напонско ниво од 10 kv со номинална фреквенција од 50 Hz. Тој првенствено се користи за мерење на струја, мерење на енергија и заштитно реле.

Електричниот струен трансформатор од излеана смола усвојува целосно затворен процес на лиење епоксидна смола, во кој јадрото е направено од висококвалитетен магнетен материјал, а примарните и секундарните намотки заедно со јадрото се вградени во смола. Оваа конструкција обезбедува одлични перформанси на изолација, отпорност на влага и отпорност на загадување. Површината на електричен струен трансформатор излеана од смола не бара дополнителен слој, а струјниот трансформатор може да се инсталира на повеќе позиции.

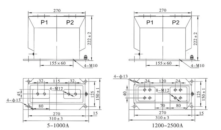
Опсегот ги опфаќа и класите на мерење, како што се 0,2S и 0,5S, и класите на заштита, како што се 10P10 и 10P20. Дизајнот со повеќе соодноси е достапен на струјниот трансформатор од излеана смола, за да биде добро прилагоден за употреба во електрични панели обложени со метал.

Resin Cast Electrical Ct Current TransformerResin Cast Electrical Ct Current Transformer

Техничка спецификација:

Тип Примарна номинална струја (A) Класа на точност Класа на точност и номинален излез cosΦ=0,8 Термичка струја за кратко време (kA/S) Номинална динамичка струја (kA)
0,2 (и) 0,5 (с) 10P10 10P15 10P20
ЛЗЗБЈ9-10 5-150 0,2s/0,5 0,2s/10P 0,2/10P 0,5s/10P 0,5/10P 10 10 15 15 10 100I1n 250I1n
200-300 31.5 80
400-500 45 112
600-1000 63 130
1200-1500 80 160
2000-2500 100 180

Resin Cast Electrical Ct Current Transformer

ЧПП за производи:

П: Кои технички параметри треба да се проверат при изборот на електричен струен трансформатор од смола?

О: следните клучни параметри треба да се проверат при изборот:

1.Класа на точност: За мерење/мерење (на пр. 0,2s или 0,5) и заштитни цели (на пр. 10P10, 5P10, итн.).

2. Номинална примарна струја и секундарна струја (однос на трансформација).

3.Кратко време термичка струја (Ith) и краткотрајна струјна издржливост (за услови на дефект).

4. Нивоа на изолација (издржување на напон, рејтинг на импулсен напон, итн.).

5. Еколошки толеранции: Температурен опсег, надморска височина, влажност, ниво на загадување.

6. Товар: VA оптоварувањето на секундарното мора да се вози без понижувачка точност.

П: Во кои средини или апликации се особено погодни електричните струјни трансформатори од лиени смола?

О: следново опкружување или апликација се погодни за електричен струен трансформатор од смола:

1. Внатрешна разводна опрема, каде што просторот е ограничен, а изолацијата е клучна.

2. Во сурови или загадени средини (прашина, влага, хемикалии) каде што отворените делови или маслото може да се деградираат.

3. Во мерните и заштитните кола кои бараат стабилно, точно мерење во долги периоди.

4.Апликации каде ниското одржување и високата доверливост се важни.

Жешки тагови: Добавувач на струјни трансформатори од смола, Производител на електрични КТ трансформатори, Трговија на големо со прилагодени КТ трансформатори
Испрати барање
Контакт Инфо
  • Адреса

    Бр. 391, патот Џингки, индустриска зона Јанпан, град Јуекинг, провинција Жеџијанг, Кина

  • Е-пошта

    info@xifaele.com

За да ја добиете вашата понуда што е можно поскоро

XiFa - вашиот доверлив снабдувач на електрична опрема
X
Ние користиме колачиња за да ви понудиме подобро искуство во прелистувањето, да го анализираме сообраќајот на страницата и да ја персонализираме содржината. Со користење на оваа страница, вие се согласувате со нашата употреба на колачиња. Политика за приватност
Отфрли Прифати