Potential Transformer PT
13,8 Kv Еднофазен потенцијален трансформатор во трафостаница
  • 13,8 Kv Еднофазен потенцијален трансформатор во трафостаница13,8 Kv Еднофазен потенцијален трансформатор во трафостаница

13,8 Kv Еднофазен потенцијален трансформатор во трафостаница

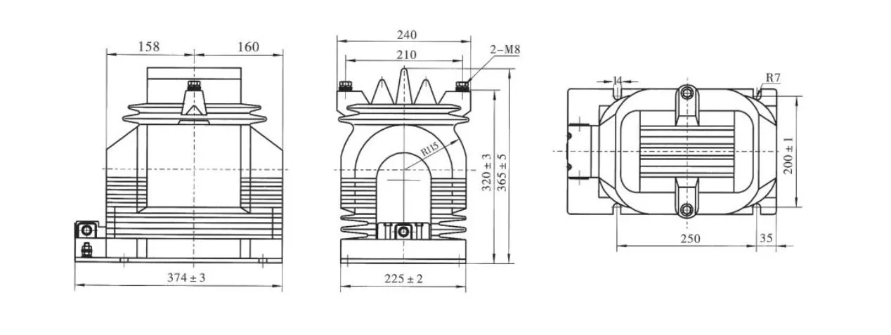
За да произведе сигурен еднофазен потенцијален трансформатор од 13,8 kv во трафостаницата, Wenzhou XiFa Electric Power Equipment Co., Ltd го усвојува премиум електричниот челик CRGO како главен материјал на јадрото за да се намали вредноста на загубите и да се подобри класата на точност, и емајлирана бакарна жица со висока јачина како главен материјал на серпентина и за да се обезбеди превртување во намотување. Сè повеќе, секој еднофазен потенцијален трансформатор од 13,8 kv во трафостаницата го прифаќа процесот на производство на вакуумско леење со епоксидна смола за да направи севкупна зацврстена структура што не е лесно да ја апсорбира влагата, што е погодна за топла, влажна и правлива средина.

Карактеристики на производот:

Еднофазен потенцијален трансформатор од 13,8 Kv во трафостаница е дизајниран да го намали примарниот напон од 13,8 kv до стандарден секундарен напон, како што се 100 или 110 волти. Намалениот напон потоа се доставува до паралелните намотки за мерење на инструментите и заштитните релеи, овозможувајќи примарните мерења на напонот да се прават индиректно со инструменти со низок напон. Таквиот пристап го поедноставува дизајнот на инструментите, заштедува трошоци и ја гарантира безбедноста и на опремата и на оперативниот персонал.


Принципот на работа на еднофазен потенцијален трансформатор од 13,8 kv е ист како и трансформаторот за дистрибуција на моќност, од кој односот на трансформацијата се одредува според бројот на вртења во примарните и секундарните намотки. Зголемувањето на бројот на секундарни вртења го намалува односот, додека зголемувањето на бројот на примарни вртења го зголемува. Важно е да се напомене дека во никој случај секундарното коло на еднофазен потенцијален трансформатор од 13,8 kv не смее да биде краток спој за време на работата.

13 8 Kv Single Phase Potential Transformer In Substation

Техничка спецификација:

Тип Номинален сооднос на напон (kV) Класа на точност Класа на точност и номинален излез cosΦ=0,8 Макс. Излез (VA)
0.2 0.5 1 6 (P)
JDZ11-15 (15/√3)/(0,1/√3)/(0,1/3) 0,2/6P 0,5/6P 1/6P 30 80 150 100 400
JDZ11-20 (20/√3)/(0,1/√3)/(0,1/3)
JDZ11-15 (15/√3)/(0,1/√3)/(0,1/√3)/(0,1/3) 0,2/0,2/6P 0,2/0,5/6P 15 20 N/A 100 2 * 200
JDZX11-20 (20/√3)/(0,1/√3)/(0,1/√3)/(0,1/3)

13 8 Kv Single Phase Potential Transformer In Substation

ЧПП за производи:

П: Како се разликува еднофазен потенцијален трансформатор од 13,8 kv од енергетскиот трансформатор од 13,8 kv?

О: Иако и двата се уреди за конвертирање на напон, еднофазен потенцијален трансформатор од 13,8 kv е дизајниран за мерење и заштита наместо за пренос на енергија. Неговиот номинален товар е релативно мал, обично изразен во VA, додека енергетските трансформатори се справуваат со оптоварувања во поголема вредност која се брои во kVA или MVA.


П: Кои методи на изолација се користат кај еднофазен потенцијален трансформатор од 13,8 kv?

О: Повеќетопотенцијални трансформаторина ова напонско ниво користете изолација од лиена епоксидна смола за внатрешна услуга или порцелански/силиконски куќишта за надворешни инсталации. Некои дизајни користат изолација потопена во масло за да постигнат продолжен работен век и поголем термички капацитет.


П: Како треба да се поврзе еднофазен потенцијален трансформатор од 13,8 kV во трафостаница?

О: За мерење фаза до земја, примарната PT е поврзана помеѓу една фаза и земјата. Во трифазен систем, збир од еднофазни PT или трифазна PT единица може да се користи за мерење на напоните од линија до линија и линија до земја.


П: Какви проблеми може да се појават со еднофазни потенцијални трансформатори од 13,8 kV во трафостаниците?

О: Вообичаени проблеми вклучуваат деградација на изолацијата, ферорезонанца при одредени услови на префрлување, прегревање поради преоптоварување и услови на отворено секундарно коло што може да предизвика опасно високи напони.



Жешки тагови: 13,8 Kv Еднофазен потенцијален трансформатор во добавувач на трафостаница, Трговија на големо со потенцијален трансформатор на трафостаница
Испрати барање
Контакт Инфо
  • Адреса

    Бр. 391, патот Џингки, индустриска зона Јанпан, град Јуекинг, провинција Жеџијанг, Кина

  • Е-пошта

    info@xifaele.com

За да ја добиете вашата понуда што е можно поскоро

XiFa - вашиот доверлив снабдувач на електрична опрема
X
Ние користиме колачиња за да ви понудиме подобро искуство во прелистувањето, да го анализираме сообраќајот на страницата и да ја персонализираме содржината. Со користење на оваа страница, вие се согласувате со нашата употреба на колачиња. Политика за приватност
Отфрли Прифати